欢迎来到威瑞(无锡)精工科技有限公司的官方网站!

产品中心

PRODUCT CENTER

产品中心

当前位置: 首页 > 产品中心 > 液压缸
Y-HG1冶金设备用液压缸系列


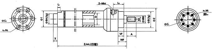
安装尺寸:

缸径
D
速比
Φ
杆径
d
KK
A
M
ΦB
ΦBA
ΦC1
ΦC2
Φ1
Φ2
VF
WF
ZJ
X
L1
L2
L0
n1-M1
n2-M2
40
1.46
2
22
28
M16*1.5
M20*1.5
22
28
M18*1.5
48
20
42
66
54
80
19
32
190
8
26
44
12
8-M6
6-M8
50
1.46
2
28
36
M20*1.5
M27*2
28
36
M18*1.5
55
30
50
75
63.5
90
24
38
205
8
18
61
12
8-M6
6-M8
63
1.46
2
36
45
M27*2
M33*2
36
45
M27*2
70
38
60
90
76
108
29
45
224
10
25
52
12
8-M8
6-M10
80
1.46
2
45
50
M33*2
M42*2
45
56
M27*2
86
55
75
112
95
134
36
54
250
10
36
58
13
8-M10
6-M12
90
1.46
2
50
56
M42*2
M48*2
56
63
M27*2
100
55
80
132
108
158
36
55
270
10
43
63
17
8-M12
6-M16
100
1.46
2
56
63
M42*2
M48*2
56
63
M33*2
118
68
95
150
121
175
37
57
300
10
47
69
18
8-M12
8-M16
110
1.46
2
63
70
M48*2
M48*2
63
63
M33*2
132
60
95
165
133
195
37
57
310
10
50
73
22
8-M16
8-M16
125
1.46
2
70
80
M48*2
M48*2
63
85
M33*2
150
80
115
184
152
212
37
60
325
10
50
85
22
8-M16
8-M16
140
1.46
2
80
85
M48*2
M64*3
63
95
M42*2
165
95
132
200
168
230
37
62
335
10
53
74
22
8-M16
8-M16
150
1.46
2
85
90
M64*3
M80*3
85
95
M42*2
175
105
140
215
180
245
41
64
350
10
54
85
22
8-M16
8-M16
160
1.46
2
90
100
M64*3
M80*3
85
95
M42*2
190
110
150
230
194
265
41
66
370
10
59
91
26
8-M20
8-M20
180
1.46
2
100
110
M80*3
M80*3
95
95
M48*2
200
110
160
250
219
280
41
70
410
15
65
98
27
8-M20
8-M20
200
1.46
2
110
125
M80*3
M100*3
95
112
M48*2
215
120
170
280
245
310
45
75
450
15
65
115
27
8-M20
8-M20
220
1.46
2
125
140
M100*3
M100*3
112
112
M48*2
240
140
200
310
273
340
45
80
490
20
75
123
36
8-M24
8-M20
250
1.46
2
140
160
M100*3
M125*4
112
125
Φ40
280
160
220
340
299
290
64
96
550
25
80
145
36
8-M24
12-M24
280
1.46
2
160
180
M125*4
M125*4
125
125
Φ40
300
180
240
370
325
410
64
100
600
30
80
162
36
8-M24
12-M24
320
1.46
2
180
220
M160*4
M125*4
125
160
Φ40
360
200
310
430
377
470
71
108
660
35
80
190
36
12-M24
16-M24

 安装尺寸图:


上一页:HSG※01 工程液压缸系列
下一页:W70/140L-1 轻型拉杆液压缸系列
    
联系我们

厂址:无锡市梅园徐巷688号

电话:0510-85516389

传真:0510-85509687

邮编:214064

邮箱:sales@cn-htpc.com

网址:www.cn-htpc.com

客户反馈
Copyright © 2017 威瑞(无锡)精工科技 有限公司 / 无锡市河埒气动元件厂 版权所有 未经许可不得使用、转载、摘编。