欢迎来到威瑞(无锡)精工科技有限公司的官方网站!

产品中心

PRODUCT CENTER

产品中心

当前位置: 首页 > 产品中心 > 气 缸
双作用双活塞杆气缸系列

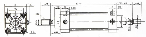
安装尺寸:
缸径 B MM AM KK VD EE WH G E TV D2 L2 ZJ
40 36 16 24 M12 × 1.25 22 M14 × 1.5 G1/4 30 26 62 42 M6 10 105
50 38 20 32 M16 × 1.5 23 M14 × 1.5 G1/4 37 28 70 50 M6 10 131
63 42 20 32 M16 × 1.5 23 M14 × 1.5 G3/8 37 30 83 60 M8 12 142
80 50 25 40 M20 × 1.5 25 M18 × 1.5 G3/8 45 32 100 72 M10 13 158
100 51 25 40 M20 × 1.5 25 M14 × 1.5 G1/2 49 39 120 90 M10 13 175
125 70 32 54 M27 × 2 30 M14 × 1.5 G1/2 63 44 148 112 M12 15 191

 安装尺寸图:


上一页:双作用普通气缸系列
下一页:带开关、带阀、组合气缸系列
    
联系我们

厂址:无锡市梅园徐巷688号

电话:0510-85516389

传真:0510-85509687

邮编:214064

邮箱:sales@cn-htpc.com

网址:www.cn-htpc.com

客户反馈
Copyright © 2017 威瑞(无锡)精工科技 有限公司 / 无锡市河埒气动元件厂 版权所有 未经许可不得使用、转载、摘编。